
| 1.3Dモデルを作成 | |||||||||||||
|
|
||||||||||||
①
「パッド」ツールを使用してベースを作成します※作成方法は こちら を参照してください |
②
「パッド」ツールを使用してL部を作成します |
||||||||||||
|
|
||||||||||||
③
「パッド」ツールを使用してリブを作成します |
④
「面取り」ツールを使用して直径30mm穴部を面取りします※「面取り」ツールの使用方法は こちら を参照してください |
||||||||||||
|
|
||||||||||||
⑤
「ホール」ツールを使用して穴を作成します※「ホール」ツールの使用方法は こちら を参照してください |
3Dモデル完成です | ||||||||||||
|
2.図面作成(投影図配置、中心線およびねじ穴表記の追加) |
|||||||||||||
|
こちら
を参照し、図面に投影図を設置してください こちら を参照し、中心線を追加してください こちら を参照し、ねじ穴表記を追加してください 以上で図面は下図の状態になります
|
|||||||||||||
|
3.寸法の追加 |
|||||||||||||
|
|||||||||||||
|
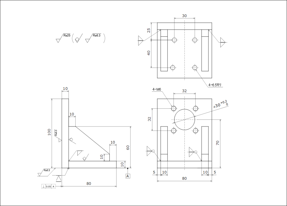
特に難しいところはないと思います。寸法コマンドを使用して作図しましょう。 ※寸法コマンドの使用方法は こちら を参照してください また直径30mm穴の寸法は
「øプレフィックスを挿入」ツールと寸法編集で作成しています※「øプレフィックスを挿入」および寸法編集は こちら を参照してください |
|||||||||||||
|
4.引き出し線・データム・幾何公差・表面仕上げ記号・溶接記号の追加 |
|||||||||||||
引き出し線は
「ビューに引き出し線を追加」ツールを使用して作図してください※「ビューに引き出し線を追加」ツールの使用方法は こちら を参考にしてください テキストの追加は
「注釈を挿入」ツールか
「リッチテキスト注釈を挿入」ツールを使用するのですが、通常のテキストはビューに追随しないのに対してリッチテキストは追随するのでリッチテキストを使用した方が良いと思います※使用方法は「注釈を挿入」は こちら 、「リッチテキスト注釈を挿入」は こちら を参照してください データムの追加は こちら を参照していただければ追加できると思います 幾何公差の追加は こちら を参照していただければ追加できると思います 表面仕上げ記号の追加は こちら を参照していただければ追加できると思います 溶接記号の追加は
「溶接情報を引き出し線に追加」ツールを使用してください※「溶接情報を引き出し線に追加」ツールの使用方法は こちら を参照してください V形溶接記号に付いている補助記号(-平ら)は
「リッチテキスト注釈を挿入」ツールを使用して追加しています
|
|||||||||||||
|
以上でLブラケットの図面完成です!!
|
|||||||||||||